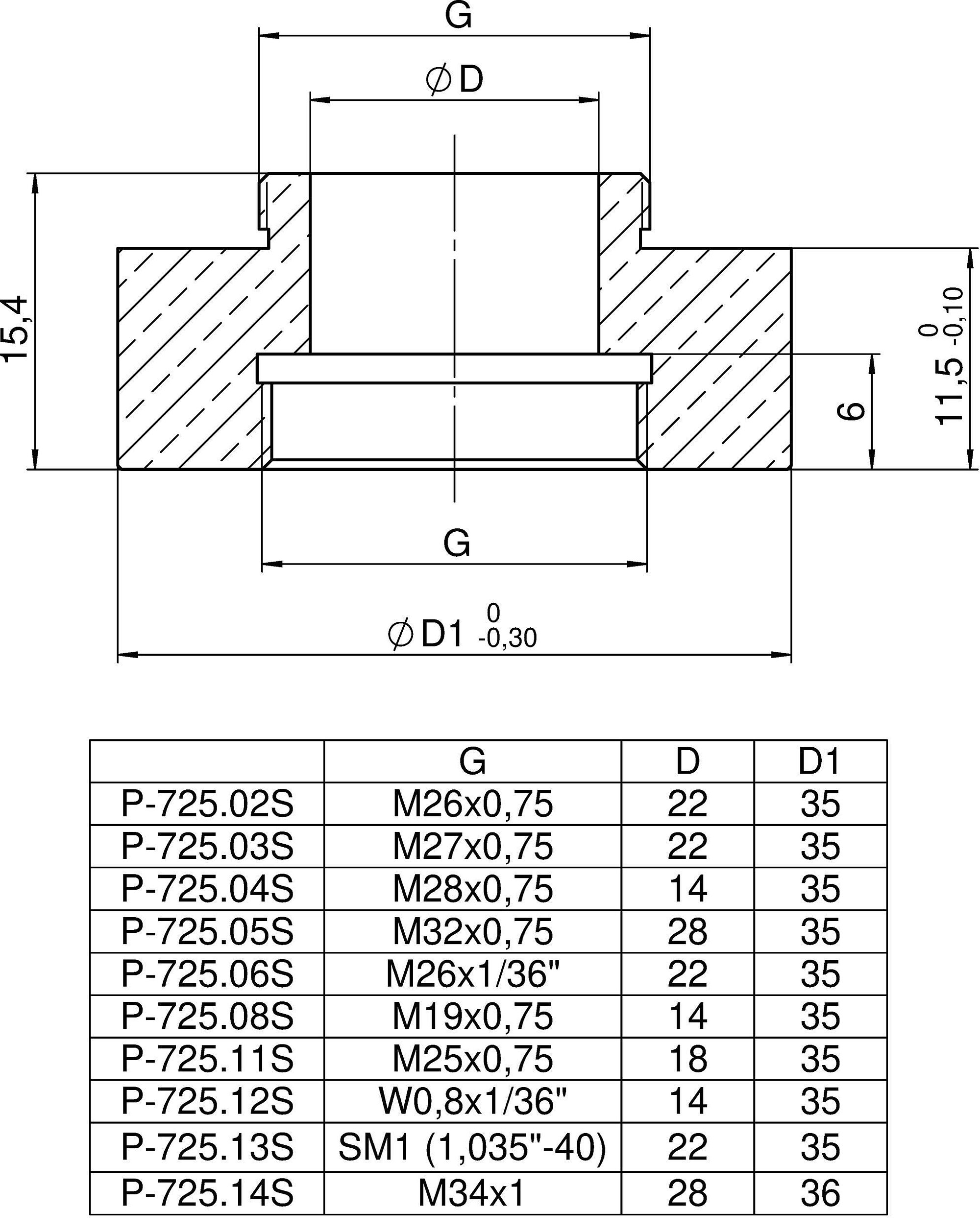
显微镜螺纹转接头,M26×0.75,通光孔径22mm
P-725.xxM • P-725.xxL • P-725.xxS 用于PIFOC聚焦扫描仪的螺纹转接头
轻松实现PIFOC定位器与显微镜的集成(适用于P-725.xCDE2和P-725.xCDE1S型号)
- 螺纹转接头,轻松实现PIFOC定位器与显微镜之间的适配
- 无扭转线缆布线设计
- 物镜齐焦校正垫片
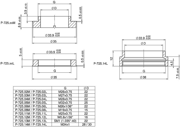
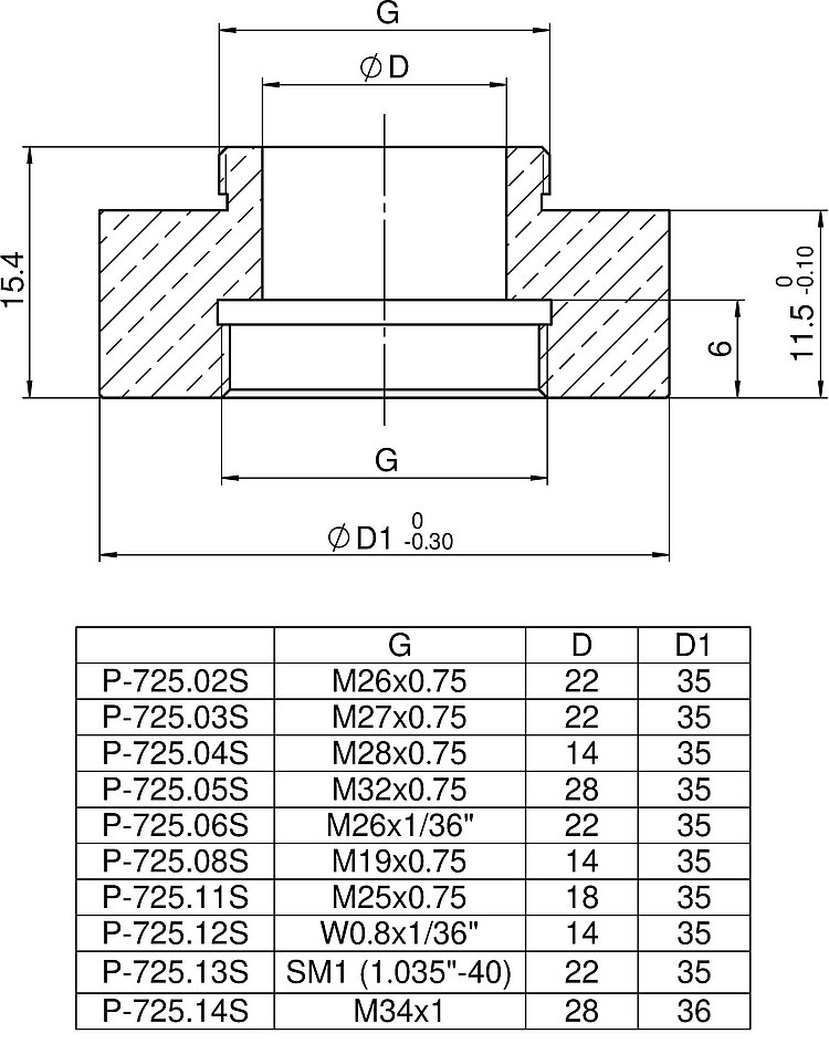
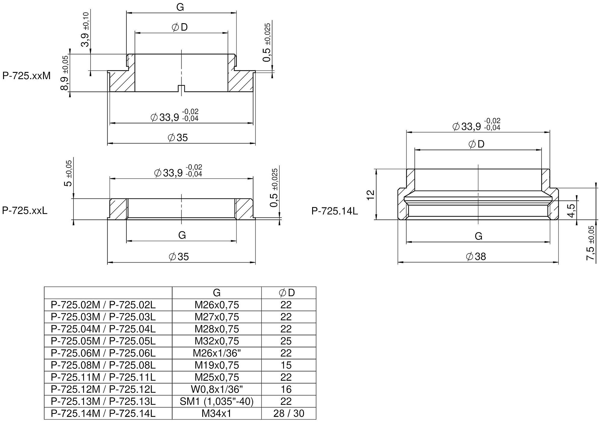
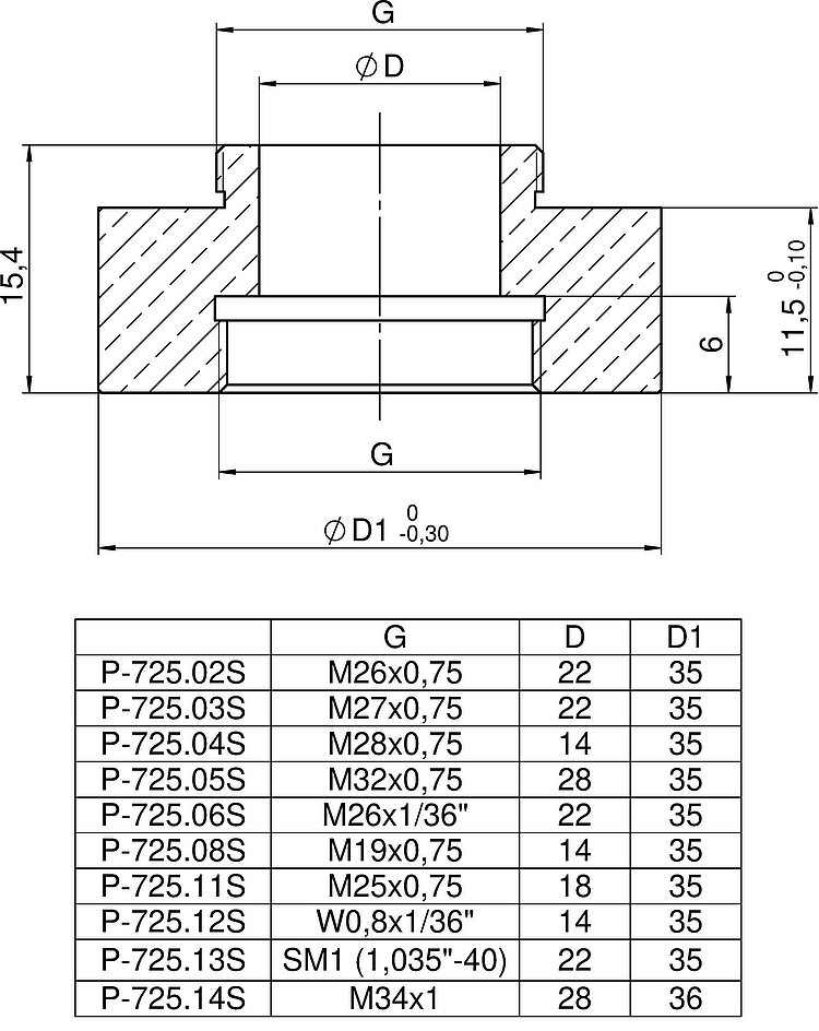
规格
规格
| P-725.02M | P-725.03M | P-725.04M | P-725.05M | P-725.06M | P-725.08M | P-725.11M | P-725.12M | P-725.13M | P-725.14M | P-725.02L | P-725.03L | P-725.04L | P-725.05L | P-725.06L | P-725.08L | P-725.11L | P-725.12L | P-725.13L | P-725.14L | P-725.02S | P-725.03S | P-725.04S | P-725.05S | P-725.06S | P-725.08S | P-725.11S | P-725.12S | P-725.13S | P-725.14S | ||
|---|---|---|---|---|---|---|---|---|---|---|---|---|---|---|---|---|---|---|---|---|---|---|---|---|---|---|---|---|---|---|---|
| 通光孔径 | 22 mm | 22 mm | 22 mm | 25 mm | 22 mm | 15 mm | 22 mm | 16 mm | 22 mm | 28 mm | 22 mm | 22 mm | 22 mm | 25 mm | 22 mm | 15 mm | 22 mm | 16 mm | 22 mm | 28 mm | 22 mm | 22 mm | 14 mm | 28 mm | 22 mm | 14 mm | 18 mm | 14 mm | 22 mm | 28 mm | |
| 材料 | 黄铜 | 黄铜 | 黄铜 | 黄铜 | 黄铜 | 黄铜 | 黄铜 | 黄铜 | 黄铜 | 黄铜 | 黄铜 | 黄铜 | 黄铜 | 黄铜 | 黄铜 | 黄铜 | 黄铜 | 黄铜 | 黄铜 | 黄铜 | 黄铜 | 黄铜 | 黄铜 | 黄铜 | 黄铜 | 黄铜 | 黄铜 | 黄铜 | 黄铜 | 黄铜 | |
| 显微镜侧的螺纹 | M26 × 0.75mm | M27 × 0.75mm | M28 × 0.75mm | M32 × 0.75mm | M26 × 1/36" | M19 × 0.75mm | M25 × 0.75mm | W0.8 × 1/36" | 1.035"-40 (SM1) | M34 × 1mm | — | — | — | — | — | — | — | — | — | — | M26 × 0.75mm | M27 × 0.75mm | M28 × 0.75mm | M32 × 0.75mm | M26 × 1/36" | M19 × 0.75mm | M25 × 0.75mm | W0.8 × 1/36" | 1.035"-40 (SM1) | M34 × 1mm | |
| 总质量 | 50 g | 50 g | 50 g | 50 g | 50 g | 50 g | 50 g | 50 g | 50 g | 50 g | 50 g | 50 g | 50 g | 50 g | 50 g | 50 g | 50 g | 50 g | 50 g | 50 g | 50 g | 50 g | 70 g | 30 g | 50 g | 80 g | 60 g | 80 g | 50 g | 30 g | |
| 兼容型定位器 | — | — | — | — | — | — | — | — | — | — | — | — | — | — | — | — | — | — | — | — | — | — | — | — | — | — | — | — | — | — | |
| 物镜侧的螺纹 | — | — | — | — | — | — | — | — | — | — | M26 × 0.75mm | M27 × 0.75mm | M28 × 0.75mm | M32 × 0.75mm | M26 × 1/36" | M19 × 0.75mm | M25× 0.75mm | W0.8 × 1/36" | 1.035"-40 (SM1) | M34 × 1mm | M26 × 0.75mm | M27 × 0.75mm | M28 × 0.75mm | M32 × 0.75mm | M26 × 1/36" | M19 × 0.75mm | M25× 0.75mm | W0.8 × 1/36" | 1.035"-40 (SM1) | M34 × 1mm |
下载
数据表
文件
安装说明P725UM0002
用于P-725.xCDE2 PIFOC聚焦扫描仪的螺纹转接头
安装说明P721T0002
用于P-721/P-725.xxx PIFOC物镜扫描仪的P-721螺纹连接器
3D模型
P-725.xxS 3D模型
P-725.xxM 3D模型
P-725.xxL 3D模型
报价/订购
就所需数量、价格和供货周期请求免费报价或描述您所需的改型。
显微镜螺纹转接头,M27×0.75,通光孔径22mm
显微镜螺纹转接头,M28×0.75,通光孔径22mm
显微镜螺纹转接头,M32×0.75,通光孔径25mm
显微镜螺纹转接头,M26×1/36",通光孔径22mm
显微镜螺纹转接头,M19×0.75,通光孔径15mm
显微镜螺纹转接头,M25×0.75,通光孔径22mm
显微镜螺纹转接头,W0.8×1/36",通光孔径16mm
显微镜螺纹转接头,SM1 (1.035"-40),通光孔径22mm
显微镜螺纹转接头,M34×1,通光孔径28mm
物镜螺纹转接头,M26×0.75,通光孔径22mm
物镜螺纹转接头,M27×0.75,通光孔径22mm
物镜螺纹转接头,M28×0.75,通光孔径22mm
物镜螺纹转接头,M32×0.75,通光孔径25mm
物镜螺纹转接头,M26×1/36",通光孔径22mm
物镜螺纹转接头,M19×0.75,通光孔径15mm
物镜螺纹转接头,M25×0.75,通光孔径22mm
物镜螺纹转接头,W0.8×1/36",通光孔径16mm
物镜螺纹转接头,SM1 (1.035"-40),通光孔径22mm
物镜螺纹转接头,M34×1,通光孔径30mm
物镜齐焦校正垫片,厚度11.5mm,M26×0.75mm螺纹
物镜齐焦校正垫片,厚度11.5mm,M27×0.75mm螺纹
物镜齐焦校正垫片,厚度11.5mm,M28×0.75mm螺纹
物镜齐焦校正垫片,厚度11.5mm,M32×0.75mm螺纹
物镜齐焦校正垫片,厚度11.5mm,M26×1/36"螺纹
物镜齐焦校正垫片,厚度11.5mm,M19×0.75mm螺纹
物镜齐焦校正垫片,厚度11.5mm,M25×0.75mm螺纹
物镜齐焦校正垫片,厚度11.5mm,W0.8×1/36"螺纹
物镜齐焦校正垫片,厚度11.5mm,1.035"-40 (SM1)螺纹
物镜齐焦校正垫片,厚度11.5mm,M34×1mm螺纹













