P-820 预载压电陶瓷促动器

用于轻至中等负载

  • PICMA压电陶瓷促动器带来超长使用寿命
  • 行程达45微米
  • 推力达50牛
  • 拉力达10牛
  • 微秒级响应,亚纳米分辨率
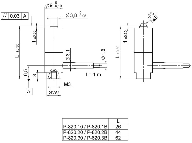
  • 带球尖端的版本
P-820 预载压电陶瓷促动器
产品描述 规格 下载 报价/订购

应用领域

  • 静态和动态精密定位
  • 光纤定位
  • 激光调谐
  • 纳米技术

PICMA压电陶瓷促动器带来超长使用寿命

的PICMA压电陶瓷促动器为全瓷绝缘。这可以防潮,避免漏电流增大造成故障。PICMA促动器的使用寿命比传统的聚合物绝缘促动器长达十倍。它们被证明可实现无故障运行1000亿个循环。

规格

数据表

数据表P-820

版本/日期
2023-12-11
pdf - 436 KB
版本/日期
2023-12-11
pdf - 441 KB
版本/日期
2018-06-15
pdf - 655 KB

下载

数据表

数据表

数据表P-820

版本/日期
2023-12-11
pdf - 436 KB
版本/日期
2023-12-11
pdf - 441 KB
版本/日期
2018-06-15
pdf - 655 KB

文件

文件

简单说明PZ303

内置达100伏的PICMA促动器

版本/日期
1.2.0 11/2020
pdf - 958 KB
版本/日期
1.2.0 11/2020
pdf - 961 KB
文件

用户使用手册P820M0001

P-820轻至中等负载预载压电促动器

版本/日期
2020-04-23
pdf - 2 MB
版本/日期
2020-04-23
pdf - 2 MB

3D模型

3D模型

3-D模型P-820.x0

zip - 79 KB
3D模型

3-D模型P-820.xB

zip - 95 KB

报价/订购

就所需数量、价格和供货周期请求免费报价或描述您所需的改型。

如何获取报价

点击“报价/订购”
将产品类型添加到报价列表
填写报价单
向PI发送报价需求
我们会尽快与您联系

询问工程师

通过电子邮件或电话从当地PI销售工程师处快速获取解答。

兼容电子元件 兼容配件