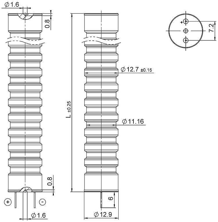
Encapsulated PICMA® piezo actuator, 60 µm travel range, Ø 12.9 mm, length 40.4 mm
Encapsulated PICMA® Stack Piezo Actuators
With ceramic-insulated high-performance actuators
- Splash-resistant full encapsulation
- Superior lifetime
- High temperature stability
- Large travel range
- High blocking force
- High degree of stiffness
- µs response time
- Sub-nanometer resolution
- UHV-compatible to 10-9 hPa
Encapsulated PICMA®Stack piezo actuators with high reliability
Operating voltage -20 to 150 V. Ceramic insulation, polymer-free. Insensitive to humidity. Excellent temperature stability. UHV-compatible to 10-9 hPa, no outgassing, high bakeout temperature. Ideal for dynamic operation. Flexible thanks to numerous designs. Encapsulated versions for operation in splash water or oil.
Custom versions with modified specifications
- For high operating temperature up to 200 °C
Application fields
Industry and research. For high-speed switching, precision positioning, and mass flow controllers, as well as active and adaptive systems.
Specifications
Specifications
| Motion | 000122370 | 000127370 | 000128370 | 000129370 | Tolerance |
|---|---|---|---|---|---|
| Travel range, open loop, at 0 to 150 V | 60 µm | 66 µm | 96 µm | 132 µm | +∞ / -10 % |
| Drive properties | 000122370 | 000127370 | 000128370 | 000129370 | Tolerance |
| Operating voltage | -20 to 150 V | -20 to 150 V | -20 to 150 V | -20 to 150 V | |
| Electrical capacitance | 3.4 µF | 3.9 µF | 5.7 µF | 7.7 µF | ±20 % |
| Mechanical properties | 000122370 | 000127370 | 000128370 | 000129370 | Tolerance |
| Stiffness | 20 N/µm | 18 N/µm | 13 N/µm | 9 N/µm | ±20 % |
| Resonant frequency, unloaded | 35 kHz | 32 kHz | 22 kHz | 17 kHz | ±20 % |
| Recommended preload for dynamic operation | 15 MPa | 15 MPa | 15 MPa | 15 MPa | |
| Maximum preload for constant force | 30 MPa | 30 MPa | 30 MPa | 30 MPa | |
| Piezo material | PIC354 | PIC354 | PIC354 | PIC354 | |
| Length L | 40.4 mm | 44.4 mm | 64.4 mm | 84.4 mm | ±0,25 mm |
| Outer diameter | 12.9 mm | 12.9 mm | 12.9 mm | 12.9 mm | ±0,15 mm |
| Blocking force at 0 to 150 V | 1200 N | 1200 N | 1200 N | 1200 N | |
| Miscellaneous | 000122370 | 000127370 | 000128370 | 000129370 | Tolerance |
| Operating temperature range | -40 to 150 °C | -40 to 150 °C | -40 to 150 °C | -40 to 150 °C | |
| Connector | Connecting wires, solderable | Connecting wires, solderable | Connecting wires, solderable | Connecting wires, solderable |
Electrical capacitance: Measured at 1 Vpp, 1 kHz, room temperature.
Resonant frequency, unloaded: Measured at 1 Vpp, unclamped. The value is halved for unilateral clamping.
Leakage current: < 1 µA, typically < 100 nA, measured at 100 V, after 5 min, room temperature, 60 % relative humidity.
Resistance: > 10 GΩ, laboratory measurement at room temperature or at an elevated temperature of up to 100 °C.
AC service life: > 6 × 10^8 cycles, measured under 8 MPa preload, 0 to 120 V, 116 Hz sine wave.
DC lifetime (MTTF): > 7 × 10^4 h, extrapolated at 150 V, room temperature.
Custom versions or different specifications on request.
At PI, technical data is specified at 22 ±3 °C. Unless otherwise stated, the values are for unloaded conditions. Some properties are interdependent. The designation "typ." indicates a statistical average for a property; it does not indicate a guaranteed value for every product supplied. During the final inspection of a product, only selected properties are analyzed, not all. Please note that some product characteristics may deteriorate with increasing operating time.
Ask for a free quote on quantities required, prices, and lead times or describe your desired modification.
Encapsulated PICMA® piezo actuator, 66 µm travel range, Ø 12.9 mm, length 44.4 mm
Encapsulated PICMA® piezo actuator, 96 µm travel range, Ø 12.9 mm, length 64.4 mm
Encapsulated PICMA® piezo actuator, 132 µm travel range, Ø 12.9 mm, length 84.4 mm










