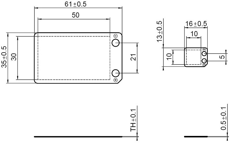
P-876.A11
DuraAct 贴片换能器,61 毫米 × 35 毫米 × 0.4 毫米
起促动器和传感器部件的作用。标称工作电压为100至1000伏,取决于有源层的高度。用于自偿型系统的功率生成可高达毫瓦级。也可应用于弯曲表面。
由压电陶瓷板、电极和聚合物材料组成的片层结构。采用无气泡注入法制造。聚合物涂层同时用作电气绝缘和机械预载,使得DuraAct可弯曲。
工业和科研. 也可应用于弯曲表面或用于结构中的集成。用于自适应系统、能量采集、结构健康监测。
P-876.A11 | P-876.A12 | P-876.A15 | P-876.SP1 | 单位 | 公差 | |
|---|---|---|---|---|---|---|
工作电压范围 | -50至200 | -100至400 | -250 到 1000 | -100至400 | 伏 | |
运动和定位 | ||||||
最小横向收缩 | 400 | 650 | 800 | 650 | 微米/米 | |
相对横向收缩 | 1.6 | 1.3 | 0.64 | 1.3 | 微米/伏 | |
机械特性 | ||||||
阻滞力 | 90 | 265 | 775 | 280 | 牛 | |
最小弯曲半径 | 12 | 20 | 70 | – | 毫米 | |
驱动特性 | ||||||
电容 | 150 | 90 | 45 | 8 | 毫微法 | ±20 % |
压电陶瓷 | PIC255 | PIC255 | PIC255 | PIC255 | ||
压电陶瓷高度 | 100 | 200 | 500 | 200 | 微米 | |
其他 | ||||||
电压连接器 | 焊接点 | 焊接点 | 焊接点 | 焊接点 | ||
尺寸 | 61 毫米 × 35 毫米 × 0.4 毫米 | 61 毫米 × 35 毫米 × 0.5 毫米 | 61 毫米 × 35 毫米 × 0.8 毫米 | 16 毫米 × 13 毫米 × 0.5 毫米 | ||
推荐电控 | E-413、E-821、E-835 | E-413、E-821、E-835 | E-413、E-821、E-835 | E-413、E-821、E-835 |
就所需数量、价格和供货周期请求免费报价或描述您所需的改型。