F-131 强大的光纤对准系统
非常适用于光子学中的应用
- NanoCube带来长使用寿命
- 集成传感器技术保障安全
- 行程长达15毫米
- 价格实惠
快速高精度驱动器
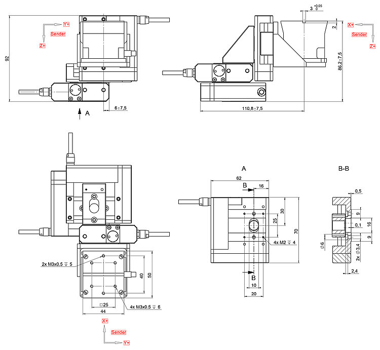
光纤对准系统的基础是一个XYZ装置,包含三个用于粗略对准的M-111系列机动化线性平台和一个P-611NanoCube纳米定位器。机动化驱动器可实现更长行程,与此同时,NanoCube纳米定位器可确保快速扫描运动和精确定位。 柔性铰链导向和全瓷绝缘PICMA促动器确保很长的使用寿命。所有驱动器都配备了位置传感器,因而能可靠防止与昂贵的硅晶片发生碰撞等。
高性能扫描子程序
高度发达的扫描子程序直接集成在控制器中,用于控制P-611NanoCube纳米定位器。性能得到明显提升,集成更简易。这可以实现对所有以模拟量信号优化为基础的应用的理想化管理,例如光子学领域中的应用。
完整包装
光纤对准系统作为一个完整包装供货,配备必需的C-884.4DC和E-727.AS控制器,以及齐全的软件包,包含用于所有PI系统的启动和操作的PIMikroMove图形用户软件。
软件包中包含编程界面,以便用户将PI控制器集成至他们自己的用户程序中, 使得定位系统的控制成为用户程序的一部分。界面支持所有常见编程语言,包括NI LabVIEW和Matlab。
此外,C-990.FA1软件也可以选购, 使针对扫描的轴设置、扫描执行和结果显示变得极其方便。
额外的高分辨率模拟量输入
控制器通过模拟量输入直接接收光强信号。E-727.AS控制器控制NanoCube纳米定位器,配备一个极高分辨率和高动态的模拟量输入, 从而快速精确地获取光信号、自动找到最大强度。
应用领域
硅光子学中的光学部件对准、光学部件质量鉴定
下载
文件
User Manual F131T0001
F-131.3SD1 X,Y,Z Alignment System
用户使用手册E727T0012
带区域扫描程序的E-727.AS数字多通道压电陶瓷控制器,用于硅光子学生产中的快速光学对准
用户使用手册PZ253
具有应变片传感器/无传感器的P-611纳米级定位系统
用户使用手册M110T0032
M-110.x1 / M-111.x1 / M-112.x1微平移位移台
用户使用手册MS243
用于4轴或6轴直流电机和无刷直流电机的C-884.4DC和C-884.6DC运动控制器
3D模型
3-D模型F-131.3SD1
报价/订购
就所需数量、价格和供货周期请求免费报价或描述您所需的改型。














