E-836.03
压电放大器,单通道,OEM模块,-30至130伏,工作电压为24伏






E-836.03 | E-836.1G | 单位 | |
|---|---|---|---|
功能 | 压电放大器,单通道 OEM模块 | 压电放大器,单通道 台式装置 | |
放大器 | |||
控制输入电压 | -2 到 12 | -2 到 12 | 伏 |
输出电压 | -30 到 130 | -30 到 130 | 伏 |
峰值电流(<8毫秒) | 100 | 100 | 毫安 |
平均电流 | 50 | 50 | 毫安 |
电流限制 | 防短路 | 防短路 | |
电压增益 | 10 ±0.1 | 10 ±0.1 | |
纹波,噪声,0至100千赫兹 | 0.8 | 0.8 | 毫伏均方根 |
电容底座负载(内部) | 10 | 10 | 毫微法 |
输出阻抗 | 5 | 5 | 欧姆 |
输入阻抗 | 0.5 | 1 | 兆欧 |
其他 | |||
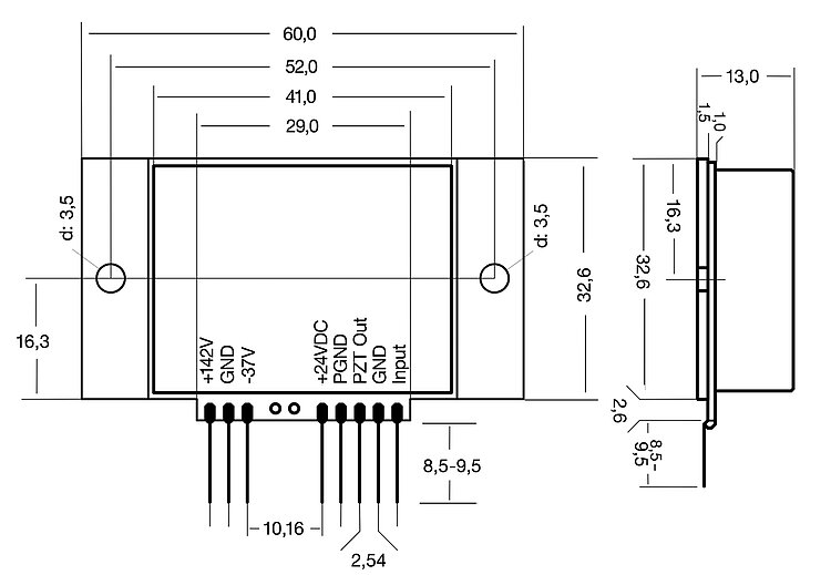
连接器 | 可焊接的销轴,直径为0.7毫米 | BNC,LEMO 桶形连接器(电源) 1转电位计,增加0至10伏至控制输入 | |
工作温度范围 | 5至50 | 5 到 50 | °C |
过热保护 | 85摄氏度时停用 | 85摄氏度时停用 | °C |
工作电压 | 24 ±10 % | 24 ±10 %,包含:外部电源,24伏/2.0安 | 伏直流电 |
功率消耗(最大值) | 10 | 16 | 瓦 |
电流消耗(最大值) | 0.5 | 0.65 | 安 |
询问定制设计!
E-836.1G压电放大器,1通道、台式、-30至130V
E-836.03 OEM压电放大器模块,1通道、-30至130V
就所需数量、价格和供货周期请求免费报价或描述您所需的改型。
询问定制设计!